Stan magazynowy:
Kod EAN: 5904496824520
Stan produktu: Nowy
Gwarancja: Sprawdź szczegóły
Aplikacja: TUYA SmartLife
Komunikacja: ZigBee
Urządzenie do pracy wymaga bramki ZigBee dla aplikacji TUYA
==================


Produkt umożliwia sterowanie z aplikacji TUYA na smartfonie roletami, markizami, żaluzjami, zasłonami - wszelkimi napędami sterowanymi zasilaniem 230V.
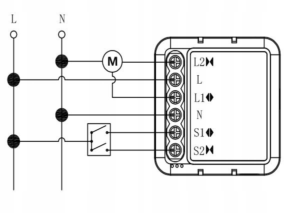
Współpraca z klasycznymi ściennymi przełącznikami roletowymi. Sterowanie Góra/Dół poprzez podanie Fazy 230V. Można również zastosować podwójne monostabilne (odbijające) - wtedy sterowanie przez przytrzymanie.
Urządzenie jest zasilane i steruje silnikami 110-230V AC max. 3A na kanał.
Parowanie z Aplikacją TUYA
Dalej postępuj zgodnie z instrukcjami w aplikacji.



ZigBee to system oparty na bezpiecznym protokole przeznaczonych m.in. do bezprzewodowej obsługi urządzeń domowych zasilanych bateryjnie (zachowaniem długiego czasu pracy baterii) oraz sieciowo (dodatkowe wzmacniacze sygnału).
To co wyróżnia ZigBee od klasycznego WiFi to odpowiednio długi czas pracy urządzeń zasilanych na baterie (nieosiągalne przy klasycznym protokole WiFi) oraz przekazywanie sygnału przez akcesoria zasilane 230V.
Dodatkowo wybrane urządzenia ZigBee (zasilane sieciowo 230V) stają się elementem sieci Mesh. Oznacza to, że jeśli dany moduł nie jest w stanie połączyć się bezpośrednio z bramką ZigBee, komunikuje się z nią poprzez inne najbliższe akcesorium tego systemu. Repaterem w ekosystemie ZigBee są urządzenia zasilane 230V jak np. Sonoff Basic ZigBee, gniazdka 230V czy żarówki.
Dzięki temu można tworzyć rozbudowaną sieć która może działać na znacznie większe odległości niż klasyczne WiFi.
W naszych produktach oferujemy bramki ZigBee TUYA które cechują się dużą kompatybilnością z wieloma urządzeniami ZigBee rożnych producentów.
W ofercie posiadamy zarówno banki WiFi jak i LAN
Oferta:
Widoczna bramka nie jest elementem oferty.


Urządzenie współpracuje z Tuya Smart - najpopularniejszą aplikacją dla urządzeń IoT (internetu rzeczy) lub zbliżoną aplikacją SmartLife -
Na naszych aukcjach odnajdziesz również inne akcesoria kompatybilne z systemem automatyki domu TUAY
Zapraszamy do zapoznania się z naszą ofertą.
HomeAsistant, Domoticz
Łatwo zintegrowawszy urządzenie z systemami OpenSource dzięki dostępnym darmowym pluginom dla aplikacji TUYA.
Oczywiście jeśli w danym pomieszczeniu montujemy kilka punktów oświetlenia (np. oczka w suficie) aplikacja pozwala na wspólne sterowanie wszystkimi urządzeniami
Można jednocześnie zasłonić lub podnieść wszystkie rolety.
Steruj inteligentnym oświetleniem wydając polecenia głosowe asystentowi Google Assistant lub Amazon Alexa.


Możesz utworzyć swój własny scenariusz działania i nazwy pod skrótem, który jest włączany jednym kliknięciem.
W zależności od warunków pogodowych możesz wyzwalać zaprogramowane scenariusze np. wschód słońca – gasi światło na podjeździe, zachód słońca – włącza światło na podjeździe.
Kiedy zmieni się Twoja lokalizacja to dzięki usłudze geolokalizacji GPS w Twoim telefonie, podjeżdżając wieczorem do domu automatycznie włączy się światło na podjeździe, garażu, ogrodzie.
Ustawiaj godziny i dni, w których poszczególne zdarzenia
tj. scenariusze/automatyzacje mają zostać uruchomione.
Jedno zaprogramowanie zdarzenie może wpłynąć na działanie innych urządzeń np. jednym włącznikiem światła na pierwszym piętrze możesz wyłączyć światło na parterze, lub zapalenie światła głównego w pokoju gasi światło dekoracyjne... i wiele innych
Wymaga pełnego zasilania w puszcze - L i N


Nikt jeszcze nie napisał recenzji do tego produktu. Bądź pierwszy i napisz recenzję.
Tylko zarejestrowani klienci mogą pisać recenzje do produktów. Jeżeli posiadasz konto w naszym sklepie zaloguj się na nie, jeżeli nie załóż bezpłatne konto i napisz recenzję.
Poniedziałek oraz Piątek
Wtorek - Czwartek